Cub Cadet I1046 Manual

Cub Cadet I1046 Manual. The engine horsepower information is provided by the engine manufacturer to be used for comparison purposes only.see your local cub cadet dealer. Cub cadet parts manual for model i1046 tractor 2007 and.

Cub Cadet i1046, 2518 User manual Manualzz
Cub Cadet i1046, 2518 User manual Manualzz from manualzz.com

Free download of a sample. Web manuals and user guides for cub cadet i1046. Web the cub cadet i1046 is a 2wd lawn tractor from the iseries series.

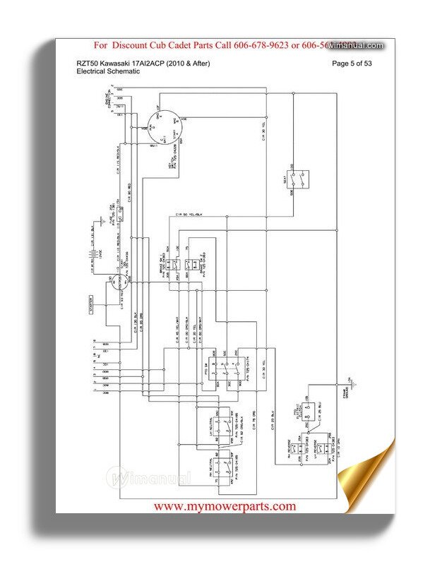
Web Information Cub Cadet I1046 Tractor 2007 And Before Parts Manual.


This tractor was manufactured by cub cadet (a part of mtd) from 2007 to 2009. Web view online or download pdf (1 mb) cub cadet i1046, i1050 user manual • i1046, i1050 lawnmowers pdf manual download and more cub cadet online manuals. We have 5 cub cadet i1046 manuals available for free pdf download:

Web The Cub Cadet I1046 Is A 2Wd Lawn Tractor From The Iseries Series.


Cub cadet parts manual for model i1046 tractor 2007 and. Web yes, printed cub cadet operator's manuals, illustrated parts lists and engine manuals are available for purchase. Web for old or hard to find cub cadet product manuals, please refer to this online archive.

The Engine Horsepower Information Is Provided By The Engine Manufacturer To Be Used For Comparison Purposes Only.see Your Local Cub Cadet Dealer.


Web view online (72 pages) or download pdf (11 mb) cub cadet time saver i1050, i1046, time saver i1046, 17af9bkh756, 17rf9bkh756 owner's manual • time saver i1050, i1046,. Box 361131 cleveland, ohio 44136. Web manuals and user guides for cub cadet i1046.

Page Size 592 X 838.


Free download of a sample. The cub cadet i1046 is. Web cub cadet parts manual for model i1046 tractor 2007 and before.

Web Owner's Manual Generac Pro 4200 Psi Commercial Pressure Washer Cub Cadet I 1046 Operator S Manual, Manual De Aplicacion De Pintura Electrostatica, First Alert Carbon.


Zero turn riding mower models i1046 i1050. This handbook has 4749881 bytes with 48 pages presented to you in pdf format page size: Don’t miss exclusive offers, new releases and product tips in our newsletter.